Hi, I'am Hardita Kurniawan

Backend Developer

Contact Me

About Me

My introduction

My IT career started with a 6-month internship at PT. Indosat Ooredoo, where I built a strong foundation in full-stack web development using PHP Laravel and MySQL. Eager to specialize in backend technologies, I joined PT. Dengan Senang Hati, mastering Node.js with Express and NestJS frameworks while gaining expertise in real-time data exchange through WebSocket implementation, NoSQL databases with MongoDB, and end-to-end application development from database schema design to deployment. After three years of intensive backend experience, I looked for new challenges at PT. Mitra Bhakti Informasi, where I've successfully delivered two major projects utilizing microservices architecture with both REST API and Event-Driven Architecture using Kafka, further expanding my capabilities in scalable system design and distributed systems.

Years
experience
15+ Completed
projects
Company
worked

Skills

My technical level

Backend Languages and Framework

3 years experience

NodeJs

Expert

NestJs

Expert

ExpressJs

Expert

PHP

Advanced

Laravel

Advanced

Golang

Intermediate

Fiber

Intermediate

Frontend developer

2 years experience

JavaScript

Expert

HTML

Intermediate

CSS

Intermediate

VueJs

Intermediate

Databases

MongoDB

Expert

Redis

Advanced

MySQL

Advanced

PostgreSQL

Advanced

Firebase

Intermediate

Others

Arduino Programming

Expert

GIT

Advanced

Docker

Advanced

Raspbery Pi

Intermediate

Qualification

My personal Journey
Education
Work

Senior High School

Semesta Bilingual Boarding School
2015-2019

Electrical Engineering

Telkom University
2015-2019

Electrical Engineer (Internship)

PT. Pindad (PERSERO)
Jun 2019 - Jul 2019

Junior Web Developer (Internship)

PT. Indosat Ooredoo
Okt 2019 - Feb 2020

Junior Web Developer

PT. Indosat Ooredoo
Marc 2020 - Aug 2021

Backend Developer

PT. Dengan Senang Hati
Sep 2021 - Aug 2024

Backend Developer

PT. Mitra Bhakti Informasi
Sept 2024 - Current

Portfolio

Projects where I get the most experience

Fullstack of Virtual Hackathon

Description : an online event series by creating 3 innovation programs to make a big impact & solve various problems in Indonesia by utilizing current digital technology developments by submitting your ideas and the best ideas will get rewards.

Technology : Laravel - MySQL

Demo

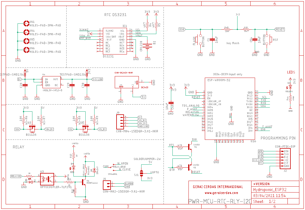
Maker of Teman Bertanam

Description : Teman Bertanam is a Mobile Application that is connected to an IoT device whos main functions is to monitor temperature, humidity, and water TDS values.

Technology : Arduino Programming - ESP32

Backend of Myim3 Business

Description : a website that provide additional service for cellular product and to monitor usage of customer's employee, and using digital solution as a new channel to help B2B customer.

Technology : Laravel - MariaDB

Demo

Let There Be Fresh

Description : a web-based game that can only be played in mobile mode. Let There Be Fresh is a campaign of a candy called "eclipse" where participants will get attractive prizes at the end of the month when they get the highest point.

Technology : VueJs - Firebase

Demo

Backend of Bitaverse

Description : a web-based game where users can walk around the city like a metaverse, change characters, chat with other users, earn points, and advertise user merchandise on bitaverse.

Technology : NestJs - MongoDB

Demo

Backend & Maker of Laurier

Description : a vending machine where users can pick up these products for free by registering first. The product in this vending machine is sanitary napkin. User can only register his email once and the email cannot be used again.

Technology : Laravel - MySQL & Arduino Programming - ESP32

Demo

Backend of A Space

Description : a multi player web-based game powered by Amild.id. The goal of this game is to get as many users as possible and the 10 users who get the highest points will get random prizes every month and every year.

Technology : NestJs - MongoDB

Demo

Backend of Suwun

Description : Suwun is a platform that helps provide services to individuals and companies throughout Indonesia.

Technology : NestJs - MySQL

Demo

Backend of IODA Academy

Description : an online learning and upskilling platform that focuses on practical experience and direct entry into the world of work through various programs, especially "Direct Work Bootcamp"

Technology : NestJs - MySql

Demo

Backend of POKU

Description : an innovative service designed to streamline loyalty point management. POKU enables users to effortlessly combine, collect, and exchange loyalty points for a wide range of attractive offers, enhancing customer engagement and value.

Technology : ExpressJs - MySQL - API-Driven Architecture

Demo

Backend of TERE

Description : a loyalty program for Telkomsel and IndiHome customers, enabling seamless point accumulation and redemption for a wide range of exclusive offers and rewards.

Technology : NestJs - MongoDB - Event-Driven Architecture

Contact Me

Get in touch with me

Location

Magelang, Central Java
Send Message